WIP Beta released D-15 Truggy (V0.2 UPDATE: 7MAR2014)

Discussion in 'Mods and Skins' started by HowImineforfish, Mar 1, 2014.

  1. HowImineforfish

    HowImineforfish
    Expand Collapse

    Joined:
    Aug 20, 2013
    Messages:
    16
    Re: D-15 Truggy

    The next updated version should address most of these problems. My biggest concern (since I use it for crawling) is that it keeps its super flexy nature. The update I have prepped should see slightly better front suspension behavior, and better gearing for crawling.

    I'll see what I can do about improving behavior at speed, but I honestly only tested it at low speeds while crawling up stuff. To be blunt, this truck (and the Baja variant) are really only training exercises so I can actually create some content of my own. I do appreciate the feedback, and you crazy, high speed, rock racing cats are giving me quite the motivation to complete this. All while my wife asks me why my game is nothing but green lines, and why I'm cursing at them while I drink!
     
  2. Three O' Clubs

    Three O' Clubs
    Expand Collapse

    Joined:
    Sep 9, 2013
    Messages:
    70
    Re: D-15 Truggy

    Uhh, when I was driving it the rear axle tended to slide up the back of the rim, it didn't effect performance but it looked kinda silly and it bugged me. Still fun to drive though :).
     
  3. Swanky_Pants

    Swanky_Pants
    Expand Collapse

    Joined:
    Sep 15, 2013
    Messages:
    63
    Re: D-15 Truggy

    lol, and it might be cool to have a solid axle option like the one in dkutch's 6x6 , he might let you use it if you ask nicely.:D
     
  4. HowImineforfish

    HowImineforfish
    Expand Collapse

    Joined:
    Aug 20, 2013
    Messages:
    16
    Re: D-15 Truggy

    I am aware of this issue, and it's been kicking my ass so much that I had to stop throwing my face at it so I could actually work on the truck itself.

    I regards to the live axle option, that's going to take some creative jbeam work. Which I am very down to try, but that ain't happening anytime soon. I gotta get this mod in a less slapped-together mess before we start expanding into actually cool stuffs.
     
  5. HowImineforfish

    HowImineforfish
    Expand Collapse

    Joined:
    Aug 20, 2013
    Messages:
    16
    Gentlemen ...

    Trucks.jpg

    The D15 line is coming along! Truggy/Baja updates are out :D!
     
  6. Motovader72

    Motovader72
    Expand Collapse

    Joined:
    Feb 9, 2014
    Messages:
    351
    Awesome thank you!
     
  7. NkosiKarbul

    NkosiKarbul
    Expand Collapse

    Joined:
    Aug 8, 2013
    Messages:
    438
    I like the progress so far, same with the baja version!
    Might we dream of some crazy flex like this one day?
    DSCN5532.JPG
    Na, i dont even know if thats still healthy.^^
     
  8. HowImineforfish

    HowImineforfish
    Expand Collapse

    Joined:
    Aug 20, 2013
    Messages:
    16

    Let us all hope I can figure out how to improve the rear suspension geometry to the point of proper flex ...
     
  9. blue22111

    blue22111
    Expand Collapse

    Joined:
    Oct 28, 2014
    Messages:
    89
    I would like to quickly let you know that your mod was stolen.


    Nice mod btw.
     
    #29 blue22111, Nov 25, 2014
    Last edited: Nov 28, 2014
  10. nathan12276

    nathan12276
    Expand Collapse

    Joined:
    Aug 14, 2013
    Messages:
    173
  11. blue22111

    blue22111
    Expand Collapse

    Joined:
    Oct 28, 2014
    Messages:
    89
    Sorry.
     
  12. SixSixSevenSeven

    SixSixSevenSeven
    Expand Collapse

    Joined:
    Sep 13, 2013
    Messages:
    6,958
    I'd advise PM'ing mod authors directly rather than linking in the forums too.
     
  13. blue22111

    blue22111
    Expand Collapse

    Joined:
    Oct 28, 2014
    Messages:
    89
    Sorry. I will edit the link out of my post right away.
     
  14. Jacksonb

    Jacksonb
    Expand Collapse

    Joined:
    Dec 18, 2013
    Messages:
    38
    I love it so much, it's the best thing ever.
     
  15. chaser5455

    chaser5455
    Expand Collapse

    Joined:
    Aug 20, 2013
    Messages:
    7
    nice I really like this. I only have 2 complaints about it. 1 the suspension is too soft and 2 it really needs to have a manual tranny option.
     
  16. RaKuN99

    RaKuN99
    Expand Collapse

    Joined:
    Aug 21, 2013
    Messages:
    4
    You can easily change this yourself.

    Find the vehicle's folder and locate the "pickup_engine_i6" file. I believe the folder should be called "pickupT"

    Open it with any text editor and find the highlighted part in the picture.

    Change where it says "TransmissionType" to "manual".

    The vehicle should now have a manual transmission. ;)
     

    Attached Files:

    • Pickup_Transmission.jpg
  17. frostmaster21

    frostmaster21
    Expand Collapse

    Joined:
    Jan 5, 2014
    Messages:
    63
    woooooooow, this thing flips soooo easily and control arms (wish bones) are soooo weak
     
  18. SixSixSevenSeven

    SixSixSevenSeven
    Expand Collapse

    Joined:
    Sep 13, 2013
    Messages:
    6,958
    Control arms and wishbones are 2 separate things...
     
  19. frostmaster21

    frostmaster21
    Expand Collapse

    Joined:
    Jan 5, 2014
    Messages:
    63
    arr, no they're are.


    (imported from here)


    (imported from here)
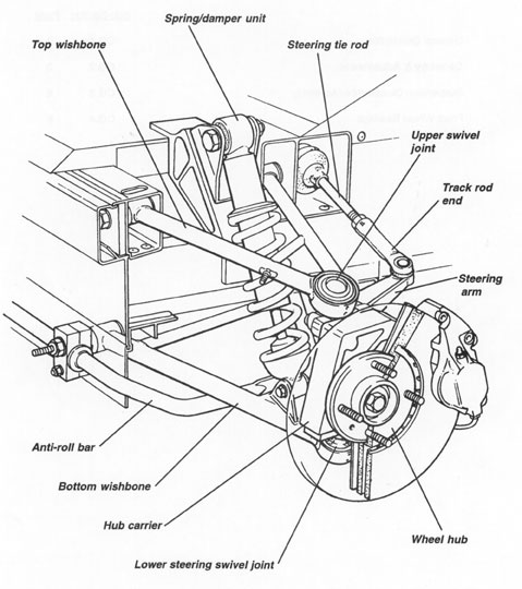
    so tell me, where would you find a wish bone on a car or a control arm?
    that's right...
    according to the CAD drawings or any owners manual for a car, they are the same thing.
     
    #39 frostmaster21, Dec 2, 2014
    Last edited: Dec 2, 2014
  20. SixSixSevenSeven

    SixSixSevenSeven
    Expand Collapse

    Joined:
    Sep 13, 2013
    Messages:
    6,958
    http://en.wikipedia.org/wiki/Control_arm

    So no. They are not the same.
    Control arm controls 1 degree of freedom, wishbone controls 2.
     
  1. This site uses cookies to help personalise content, tailor your experience and to keep you logged in if you register.
    By continuing to use this site, you are consenting to our use of cookies.
    Dismiss Notice